首页实践创新毕业设计展示

2023届毕业设计展示(王斌奇——基于视觉引导的机器人智能装配流水线设计)
发布时间:2023-09-08浏览次数:377

一、学生及指导老师简介

1.学生—王斌奇

王斌奇,男,学生,在校期间曾任大学生科技协会机械组组长,获得校级“三好学生”荣誉称号,获实用新型专利授权1件,国家级竞赛二等奖3项,省级一等奖1项,校级三等奖1项。

2.指导老师—李元哲

李元哲,男,1985年3月生,高级工程师,玛雅吧 机器人技术系骨干教师。主要研究方向为自动控制技术、机器人技术等领域。指导学生获江苏省职业院校“工业机器人”技能大赛二等奖,个人获江苏省工业和信息化技术技能大赛职工组三等奖。

3.指导老师—刘全胜

刘全胜,男,中共党员,1969年4月生,教授,墨尔本皇家理工大学访问学者,省 “青蓝工程”中青年学术带头人,“十四五”省国际化人才培养品牌专业《工业机器人技术》主持人,江苏省省赛专家组成员。主持完成的获得江苏机械工业科技进步一等奖,专利转让5件,创经济价值200多万元。

二、主要成果

参与过“数字化工厂MES系统”项目的横向课题,在团队老师指导下参与完成PLC、智能机器人、智能相机等单元的设计和调试工作。在校期间完成实用新型专利授权1项,国家级竞赛二等奖3项,省级一等奖1项,校级三等奖1项,具体成果如下。

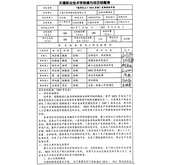
1.项目结题表,成员和工作完成情况


2.实用新型专利授权1项

3.第二十一届全国大学生机器人大赛中获二等奖

4.全国大学生物理实验竞赛二等奖

5.获得江苏省高校大学生物理与实验科技作品创新竞赛一等奖

6.获得第十六届全国高职院校“发明杯”二等奖

7.2022年“挑战杯”大学生创业计划竞赛中获得三等奖


三、实物展示